ÃÀ¸ß÷¹ÙÍø

ÖÐÎÄ EN
Ê×Ò³
Ó¦ÓÃÁìÓò
Æû³µ
Æû³µ Çå½àÄÜÔ´ ¹¤¿Ø µçÔ´ ÖÇÄÜ¼Ò¾Ó °²·À ÒDZí ͨѶ

Æû³µ ÃÀ¸ß÷¹ÙÍø¿Æ¼¼Ìṩ³µµÆ¡¢ÖÇÄÜ×ù²Õ¡¢BMS¡¢³äµç×®µÈÆû³µµç×ÓÓ¦Óã¬Îª¿Í»§Ìṩһվʽ¹¦ÂÊÆ÷¼þ²úÆ··þÎñ¡£

Rear Lighting βµÆ ?

Traction Motor Inverter Ö÷µçÇýµç»úÄæ±äÆ÷ ?

Motor Control Brushed ÓÐË¢µç»ú ?

Motor Control Brushless ÎÞË¢µç»ú ?

Electric Power Steering µç¶¯ÖúÁ¦×ªÏò ?

3.3KW or Below On Board Charger 3.3KW»òÒÔÏÂ OBC ?

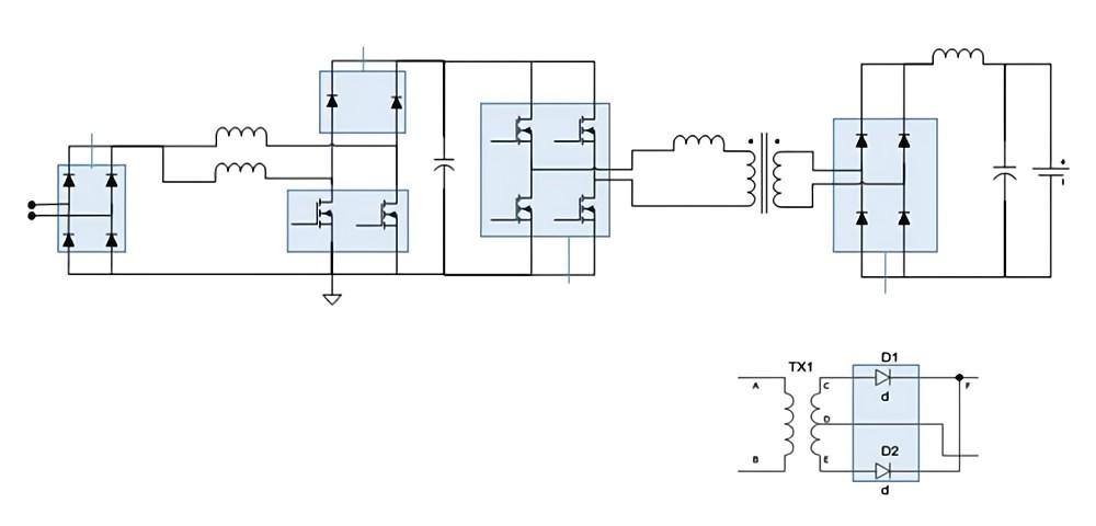
6.6KW or Above On Board Charger 6.6KW»òÒÔÉÏ OBC ?

HV A/C Compressor ¸ßѹ¿Õµ÷ѹËõ»ú ?

PTC Heater PTC ¼ÓÈÈÆ÷ ?

Privacy Cookies ±¾ÍøÕ¾Ê¹ÓÃä¯ÀÀÆ÷¼Í¼ Cookies À´ÓÅ»¯ÄúµÄʹÓÃÌåÑ飬Ïà¹ØÐÅÏ¢Çë»á¼ûÎÒÃǵÄÖ´·¨ÉùÃ÷ÓëÒþ˽ÉùÃ÷¡£ÈôÊÇÄúÑ¡Ôñ¼ÌÐøä¯ÀÀÕâ¸öÌáÐÑ£¬±ãÌåÏÖÄúÒѽÓÊÜÎÒÃÇÍøÕ¾µÄʹÓÃÌõ¿î¡£

ÍøÕ¾µØÍ¼